15年专注LED光电元器件生产定制、品牌代理商做好每一颗LED光电元器件

138-0961-5146
新闻资讯

槽型光电开关ZC-ITR9606 与 ZC-ITR9608 的区别

来源: | 发布日期:2025-05-13
       在自动化控制与检测领域,槽型光电开关凭借无接触检测、精度高、响应快、适应环境能力强等优势,被广泛应用。ZC-ITR9606 与 ZC-ITR9608 便是其中两款颇为常见的槽宽 5mm 的对射式光电开关,虽型号相似,但在诸多方面存在差异。

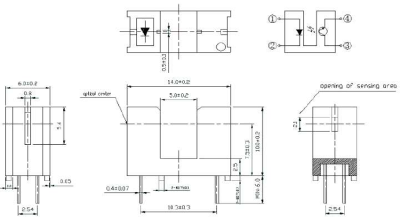
       从外观上看,ZC-ITR9608 宽度为 13mm,而 ZC-ITR9606 宽度为 14mm,细微的尺寸差别在一些对空间布局要求严苛的应用场景中,会成为选型的关键考量因素。比如在小型精密仪器内部,空间寸土寸金,ZC-ITR9608 更窄的宽度,可能使其更易安装布局 。

  9606

       光电参数方面,ZC-ITR9606 传输启动电流范围在 0.5 - 10mA,ZC-ITR9608 传输启动电流则固定为 2.5mA。ZC-ITR9606 相对更灵活的启动电流范围,意味着在不同电源条件、信号处理需求下,它能更好地适配,比如在一些对电流波动有特殊要求的电路中,可通过调整电流来优化性能;而 ZC-ITR9608 固定的 2.5mA 启动电流,在电路设计时则无需过多考虑电流适配问题,稳定性较高,适用于常规稳定供电且对电流要求不苛刻的场景。
       从功能实现角度,二者在 5mm 槽宽空间内,均通过物体遮挡光路,实现信号中断或传输,原理相同。不过在实际应用中,ZC-ITR9608 因快速响应时间、高分析性、940nm 截止可见波长(能有效过滤可见光干扰)、高灵敏度等特性,常用于对检测精度、响应速度要求极高的场景,像复印机、扫描仪等设备,能精准捕捉纸张等物体位置变化;ITR9606 可检测各类能反射光线或遮挡光线的物体,包括金属、玻璃、橡胶、木材等,在电机转速检测、脉冲计数、位置限位等领域表现出色,凭借其宽泛的电流适应能力与可靠的检测性能,保障设备稳定运行 。
        综上所述,ZC-ITR9606 与 ZC-ITR9608 各有千秋,工程师们在选型时,需综合考量设备空间、电路电源特性、检测精度与响应速度、检测物体类型等多方面因素,从而选出契合实际应用需求的光电开关,充分发挥其效能,提升自动化系统的稳定性与可靠性。东莞市洲创实业拥有全系列对射光电开关/反射光电开关,可协助选型,免费提供样品。

最新资讯

电话: 0769-82077806
邮箱: Syke_led@126.com
地址: 东莞市塘厦镇林村西富街9号
  • QQ咨询QQ咨询
  • 抖音二维码抖音二维码
  • 微信咨询微信咨询
  • 视频号二维码视频号二维码
版权所有 © 2023-2039               东莞市洲创实业有限公司          保留一切权利                    备案号:粤ICP备17119907号               CNZZ统计               技术支持: 单仁牛商                网站地图